Your browser doesn't support the features required by impress.js, so you are presented with a simplified version of this presentation.

For the best experience please use the latest Chrome, Safari or Firefox browser.

Estimation of Motion Vector Fields of Complex Microstructures by Time Series of Volume Images

Tessa Nogatz
RPTU Kaiserslautern-Landau, Germany

Triumphant Carbon

  1. In 1981, Formula 1 driver John Watson lost control over his car and got involved in a major crash. His car was torn apart, it burst in flames and everyone was sure at that time, that a driver cannot survive such a severe crash
  2. p=1 already strong limitation
  3. needed to deduce minimizer in step 3 of direct method
  4. needed to deduce minimizer in step 3 of direct method
  5. We better find an object that can be measured by both parts of regularization
  6. basically set of admissible solutions such that we find an object of interesst in there
Bulk
Fiber
Foam
Fiber Composite

In Situ Materials Test

3D Representations of Materials

Foam

  • Spatially sparse material
  • Full layers collapse where struts break

Fiber Composites

  • Matrix fiber bonding crucial
  • Where many fibers debond, matrix will rupture

Concrete

  • Very brittle material
  • Microcracking is forerunner of global failure

Requirements for Motion Estimation Algorithms

Compute motion

  • voxel accurate
  • for large datasets (\(\approx 1000^3\) voxels)
  • for large displacements
  • that is potentially discontinuous

A General Framework for Motion Estimation

\( \phi(\ux) = \ux + \ub(\ux), \)
where \(\ub = (u, v, w)\)
\begin{equation} I_0(\ux) = I_1(\phi(\ux)) \end{equation}
\begin{equation} \min_\phi \int_\Omega \left(\class{substep-2-i0}{I_0(\ux)}\class{hidden}{I_0(\ux)}-\class{substep-2-i1}{I_1(\phi(\ux))}\class{hidden}{I_1(\phi(\ux))}\right)^2\,d\ux + \lambda \mathcal{R}(\phi) \end{equation}
\( \mathcal{D} \)

Local Digital Volume Correlation

\begin{equation} \min_{\ub} \class{substep-1}{\sum_{d=1}^{N_c}} \class{substep-2}{\sum_{i=1}^{K^3}} \left(I_1(\class{substep-1}{\ux_d}+\class{substep-2}{m_i}+\class{substep-3-insert}{\ub_d\phi}\class{substep-3-remove}{\ub_h}(\class{substep-1}{\ux_d}))-I_0(\class{substep-1}{\ux_d}+\class{substep-2}{m_i})\right)^2 \end{equation}

Local Digital Volume Correlation (cont.)

Levenberg-Marquardt:
\begin{equation} \left(J_k^TJ_k + \lambda\mathbb{I}\right)p_k = -J_k \left(I_1(\ub^k)-I_0\right) \end{equation}
where
\begin{equation} J_k^{dd} = \sum_{i=1}^{K^3} \nabla I_1(\ux_d+m_i +\ub^k_d) \end{equation}

Global Digital Volume Correlation

\( \ub_h= \sum_{\alpha,n} a_{\alpha n}\psi_n(\ux)e_\alpha \)
\begin{equation} \min_\ub \int_\Omega \left(I_1\class{substep-1}{(\ux+\ub)}\class{substep-2}{(\ux)+\ub^T\nabla I_0(\ux)} - I_0(\ux)\right)^2\,d\ux \end{equation}

Solve a linear system \(\mathbf{M}\,\text{d}\ub = \mathbf{b}\) for small increments \(\ub^{n+1}=\ub^{n}+d\ub\)

\begin{align} M_{ij}&=\sum_{\ux}\left(\nabla I_0(\ux)\cdot\psi_i(\ux)\right)\left(\nabla I_0(\ux)\cdot\psi_j(\ux)\right)\\ b_i &= \sum_{\ux}\left(\nabla I_0(\ux)\cdot\psi_i(\ux)\right)\left(I_0(x)-I_1(\ux+\ub^n)\right) \end{align}

Augmented-Lagrangian DVC

Combine global and local DVC
\begin{align} \begin{split} \pazocal{L} = &\sum_i\int_{\Omega_i} \left(I_1(\ux+\class{substep-1-minimize substep-2-hold}{\ub_i^\class{substep-2-hold-added long}{k+1}}(\ux) + \class{substep-1-minimize substep-2-hold}{\textbf{F}_i^\class{substep-2-hold-added long}{k+1}}\left(\ux-\ux_i^0\right))-I_0(\ux)\right)^2 \\ &+ \frac{\alpha}{2}\left| \nabla \class{substep-1-hold substep-2-minimize}{\hat{\ub}_i^\class{substep-1-hold-added}{k}} - \class{substep-1-minimize substep-2-hold}{\textbf{F}_i}^\class{substep-2-hold-added long}{k+1} + \class{substep-1-hold substep-2-hold substep-3-update}{\mathbf{W}_i^\class{substep-1-hold-added substep-2-hold-added substep-3-added}{k}}\right|^2 + \frac{\mu}{2}\left|\class{substep-1-hold substep-2-minimize}{\hat{\ub}_i^\class{substep-1-hold-added}{k}} - \class{substep-1-minimize substep-2-hold}{\ub_i^\class{substep-2-hold-added long}{k+1}} - \class{substep-1-hold substep-2-hold substep-3-update}{\mathbf{v}_i^\class{substep-1-hold-added substep-2-hold-added substep-3-added}{k}}\right|^2\dx. \end{split} \end{align}
Solve alternating
The authors first employ a local DVC by fixing \(\{\hat\ub_i^k\}\), }(\{\mathbf{W}_i^k\}\) and \(\{\mathbf{v}_i^k\}\)

Medical Image Registration

\begin{equation} \min_\phi \int_\Omega \left(I_1(\phi(\ux))-I_0(\ux)\right)^2\dx + \Reg(\phi) \end{equation}

\( \class{hidden}{\phi(\ux)}\class{substep-3-phi}{\phi(\ux)}\class{substep-3-eq}{ = \ux+\ub(\ux)} \)\( \class{hidden}{\Reg}\class{substep-3-reg}{\Reg}^{\class{substep-3-eq}{\text{elas}}}\class{substep-3-eq}{(\ub) = \int_\Omega \frac{\mu}{4} \left(\nabla\ub + \nabla^T \ub\right)^2 + \frac{\lambda}{2}\left(\text{div}\, \ub\right)^2 \dx} \)

Nice physical interpretation:
Regularization forces displacement to follow a materials law

Comparison of State-of-the-Art Methods

\begin{align} u(x,y,z) &= \begin{cases} z\cdot 0.005\cdot K & \text{if } z < D/2,\\ (z-D/2)\cdot 0.005\cdot K & \text{if } z>D/2 \end{cases}\\ v(x,y,z) &= 0\\ w(x,y,z) &= -0.2 - \frac{K-0.2}{\sqrt{0.5\cdot e^{-0.04\cdot(z-D/2)}}} \end{align}
\( w(x,y,z) \)
\( v(x,y,z) \)
\( u(x,y,z) \)

Total Variation Optical Flow

\begin{equation} \min_\ub \int_\Omega |I_0(\ux)-I_1(\ux+\ub)| +|\nabla \ub|\dx \end{equation}
\begin{align} \begin{split} \class{substep-2-t}{T}\class{substep-2-v}{V}\class{hidden}{TV}\class{substep-2-rest}{(f)} &\class{substep-2-rest}{= \int_{\Omega}|D f|} \\ &\class{substep-2-rest}{= \sup\Big\{\int_\Omega f \dvg \g \,dx \;\big|\; \g = (g_1, \ldots, g_n)\in C_0^1(\Omega;\R^n) \;\text{and}\; |\g(\ux)|\leq 1 \;\text{for}\; \ux\in\Omega\Big\}} \end{split} \end{align}

\(T\)otal\(V\)ariation

1 Chambolle, Antonin, et al. An Introduction to Total Variation for Image Analysis. Theoretical Foundations and Numerical Methods for Sparse Recovery (2010): 227.
3DOF

TV Optical Flow Solved by Approximation12

\begin{equation} J_{\text{Grad}}(\ub)=\int_\Omega\Psi\left(|\nabla I_0(\ux)-\nabla I_1(\ux+\ub)|\right) \dx \end{equation}
\begin{equation} J_{\text{Data}}(\ub) = \int_\Omega\Psi\left(|I_0(\ux)-I_1(\ux+\ub)|\right) \dx \end{equation}
\begin{equation} J_{\text{Smooth}}(\ub)= \int_\Omega \Psi\left( |\nabla u| + |\nabla v |+|\nabla w|\right) \dx \end{equation}
\( \Psi(s^2) = \sqrt{s^2+\varepsilon^2} \)
\begin{equation} J_{\text{total}}(\ub)=J_{\text{Data}}(\ub)+\lambda J_{\text{Grad}}(\ub)+\mu J_{\text{Smooth}}(\ub) \end{equation}

First variation:

\( J_{\text{total}}'(u) = \frac{\partial}{\partial \tau} J_{\text{total}}(\ub + \tau \vb)\big|_{\tau = 0} \)
First component:Lagged diffusivity / Kacanovs Method:
\begin{split} 0 = \,&\Psi'(\class{substep-4 no-color}{(}I_d^\class{substep-4}{k+1}\class{substep-4 no-color}{)}^2)I_d^\class{substep-4}{k+1}I_x^\class{substep-4}{k} \\ &+\lambda\Psi'(\class{substep-4 no-color}{(}I_{xd}^\class{substep-4}{k+1}\class{substep-4 no-color}{)}^2 + \class{substep-4 no-color}{(}I_{yd}^\class{substep-4}{k+1}\class{substep-4 no-color}{)}^2 + \class{substep-4 no-color}{(}I_{zd}^\class{substep-4}{k+1}\class{substep-4 no-color}{)}^2)(I_{xx}^\class{substep-4}{k}I_{xd}^\class{substep-4}{k+1}+I_{xy}^\class{substep-4}{k}I_{yd}^\class{substep-4}{k+1}+I_{xz}^\class{substep-4}{k}I_{zd}^\class{substep-4}{k+1})\\ &+\mu\text{div}\left(\Psi'\left(|\nabla u^\class{substep-4}{k+1} | + |\nabla v^\class{substep-4}{k+1} |+|\nabla w^\class{substep-4}{k+1}|\right)\nabla u^\class{substep-4}{k+1}\right) \end{split}
\( I_x=\partial_x I_1(\ux+\ub) \)
1 Brox, T., et al. (2004). High Accuracy Optical Flow Estimation Based on a Theory for Warping. ECCV 2004. Springer, Berlin, Heidelberg.
2 Nogatz, T., et al. (2022). 3D Optical Flow for Large CT Data of Materials Microstructures. Strain 2022, 58(3).
TVL1

TV Optical Flow Solved by Discretization12

\begin{equation} \min_\ub \int_\Omega\ \lambda |\class{substep-0}{I_0(\ux) -I_1(\ux+\ub)}\class{substep-1}{I_0(\ux) -I_1(\ux+\ub_0) - \nabla I_1^T(\ux+\ub_0)(\ub-\ub_0)}\class{substep-2}{\rho(\ub)}| + |\nabla \ub|\dx \end{equation}
Introduce auxiliary variable \(\db\):
\begin{equation} \min_{\ub, \db}\ \int_\Omega |\nabla \ub| + \frac{1}{2\theta}||\ub-\db||_2^2 + \lambda |\rho(\db)|\dx \end{equation}
Solve alternating for \(\ub\) and \(\db\):
\begin{align} \ub^{k+1} &= \min_{\ub} \int_\Omega |\nabla \ub| + \frac{1}{2\theta} ||\ub-\db^k||_2^2 \dx\\ \db^{k+1} &= \min_{\db} \int_\Omega ||\ub^{k+1}-\db||_2^2 + \lambda |\rho(\db)|\dx \end{align}
1 Zach, C., et al. A Duality Based Approach for Realtime TV-L1 Optical Flow. Joint Pattern Recognition Symposium. Springer, Berlin, Heidelberg, 2007.
2 Nogatz, T., et al. (in preparation) Introducing Optical Flow to Materials Science – Foundations, Variations and Performance in In-Situ Materials Tests.
TVL1

TV Optical Flow Solved by Discretization (cont.)

Compute \(\ub^{k+1}\) by second alternating iteration:
Introduce second auxiliary variable \(\pb\) and solve by projection to unit balls:
Compute inner update \(\ub^{k,i+1}\) by adjoint update:
And perform intermediate update \(\ub^{k,i+1}\) by adjoint update:
\begin{align} \pb^{i+1} &= \frac{\pb^i + \sigma \nabla \bar \ub^{i}}{\max(1, \left|\pb^i + \sigma K \bar \ub^{i}\right|)} \\ \ub^{k+1, i+1} &= \frac{\ub^k-\tau \dvg\pb^k+ \db^k}{1+\tau\lambda} \\ \bar \ub^{i+1} &= \ub^{k, i+1}+ \theta(\ub^{k, i+1}-\ub^{k, }) \end{align}
Compute \(\db^{k+1}\) by case distinction:
\begin{equation} \class{substep-2}{\db^{k+1}} \class{substep-2}{=} \class{substep-2}{\ub^{k+1} +\begin{cases}\lambda\theta\nabla I_1\ &\text{if } \rho(\ub^{k+1}) < -\lambda \theta |\nabla I_1|^2 \\ -\lambda\theta\nabla I_1\ &\text{if } \rho(\ub^{k+1}) > \lambda \theta |\nabla I_1|^2 \\ -\rho(\ub)\nabla I_1/|\nabla I_1|^2\ &\text{if } |\rho(\ub^{k+1})| \leq \lambda \theta |\nabla I_1|^2 \end{cases}} \end{equation}

Comparison of Total Variation Based Methods

\( u(x,y,z) \)
\( v(x,y,z) \)
\( w(x,y,z) \)

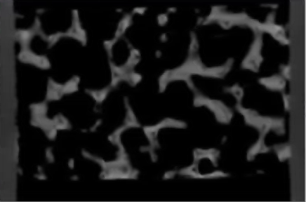
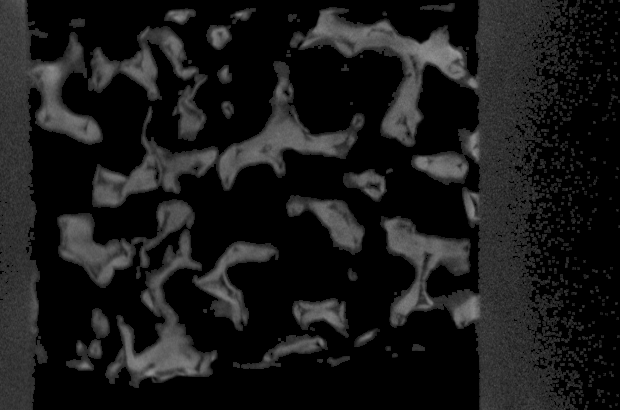
In Situ Test of Metal Matrix Composite Foam

Trip Foam
Displacement Magnitude
Displacement 3DOF
Slice View
Displacement ALDVC
Slice View
Fracturing Cell

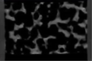
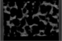
Full Series of MMC Foam

Unloaded
2% compression
4% compression
6% compression
10% compression
20% compression

Displacement
Field in \(w\)

Displacement for 2% compression
Displacement for 4% compression
Displacement for 6% compression
Displacement for 10% compression
Displacement for 20% compression
Displacement for 20% compression (adjusted)

Image Pyramids

Updates will involve terms of the form \(I_1(\ux + \ub^{k+1})\)!

Cmglee, „Image pyramid“ (CC BY-SA 3.0)

Large-Scale Concrete Samples

10 – 30TB per image series!

Coarse-to-Fine Strategy in Optical Flow

Taylor approximation is inevitable in Optical Flow!

Cmglee, „Image pyramid“ (CC BY-SA 3.0)

Morphological Wavelets

Motion Estimation with
Morphological Wavelet Pyramid

Glass Fiber Reinforced Concrete

Unloaded sample
First loading step
Second loading step
Displacement in z-direction to first loading step

Glass Fiber Reinforced Concrete (cont.)

Strain from full resolution
Strain from downsampling factor 1
Strain from downsampling factor 2
Strain from downsampling factor 3

Conclusion

  • Requirements for motion estimation in in situ materials tests
  • Comparison and evaluation of state-of-the-art algorithms
  • Optical flow in materials science
  • Tackling large data sets

Future Work

  • Introduce learning-based approaches
  • Introduce TV-based FEM approaches
  • Investigate further suitable wavelet representations

Regularization by Projection

\(P\colon X\rightarrow U\subset X\) projection operator to \(U\) if
  • \(Px\in U\) for all \(x\in X\)
  • \(Px=x\) for all \(x\in U\)
Projection method to solve \(Tx=y\)
Choose projection \(Q_n\) and solve \(Q_nTx_n=Q_ny\) for \(x_n\in X_n\subset X\).
Eventually solve linear system because
\begin{equation} Q_n y = \sum_{i=1}^N \beta_i \hat y_i,\text{ and } \hspace{0.2cm} Q_nT\hat x_j = \sum_{i=1}^n A_{ij} \hat{y_i}, \hspace{0.2cm} \text{ and } \hspace{0.2cm} x_n = \sum_{j=1}^n \alpha_j \hat x_j \hspace{0.3cm} j = 1,\ldots, n. \end{equation}
And therefore \( \sum_{j=1}^N A_{ij}\alpha_j = \beta_i \), or as matrix notation \( A\alpha = \beta \).

Convergence of a Regularization – Hilbert Spaces

\(\Reg_\alpha\) is called a regularization if (amongst other conditions)
\begin{equation} \lim_{\delta\rightarrow 0} ||\Reg_\alpha y^\delta - T^\dagger y|| = 0 \end{equation}
Example (Tikhonov): \(\Reg_\alpha = (T^*T+\alpha_*\mathbb{I})^{-1}T^*\) and \(\pazocal{R}_{\alpha(\delta)}y^\delta\rightarrow T^\dagger y\) as \(\delta\rightarrow 0\)
Proposition: If \(x_*^\delta\) is the solution of \((T^*T+\alpha_*\mathbb{I})x_*^\delta = T^* y^\delta\), it is also the solution of \begin{equation} \min_x ||Tx-y^\delta|| + \alpha_*||x||^2\end{equation}

Convergence of a Regularization – Banach Spaces

Most obvious problem in Banach spaces: We lose convergence to \(T^\dagger\)
Regularize \(F(v) = y\) by
\begin{equation} \min_v J (v),\zpftext{where} J(v)=\Dist(v, y^\delta) + \alpha\Reg(v) \end{equation}
  1. Existence: \(J(v)\) has to admit a solution for every \(\alpha>0\) and every \(y\in Y\).
  2. Stability: The noisy input data \(v^\delta\) depends continuously on the solution \(u_\alpha^\delta\) to the noisy equation.
  3. Convergence: For \(\alpha\rightarrow 0\) and \(v^\delta\rightarrow v\), the noisy solution \(u_\alpha^\delta\) should converge to the true solution \(u\).
Idea: Instead of using means from (compact) linear operator equations, use calculus of variations to show the above conditions.

Minima of Functionals in Banach Spaces – General

To show that a functional \(J\colon u\rightarrow \R\) admits a minimum, one can use the direct method of calculus of variations. It consists of three steps:
  1. One constructs a minimizing sequence \(v_n\in U\), i.e. a sequence satisfying \(\lim_{n\rightarrow\infty} J(v_n) = \inf_{v\in U} J(v)\).
  2. If \(J\) is coercive, so if \(\lim_{||v||\rightarrow\infty} J(v) = +\infty\), one can obtain a uniform bound \(|v_n|_U\leq C\). If \(U\) is reflexive, we can deduce the existence of \(v_0\in U\) and of a weakly convergent subsequence \(v_{n_j}\), i.e. such that \(v_{n_j}\xrightharpoonup[U]{ }v_0\).
  3. If the inequality \(\lim_{v_{n_j}\xrightharpoonup[U]{ }v_0} J(v_{n_j}) \geq J(v_0)\) holds, we deduce that \(v_0\) is a minimizer and that \(J(v_0) = \inf_{v\in U} J(v)\).
  1. Exists as soon as we can show boundedness from below (boundedness, convexity)
  2. Deduce that bounded seq has conv subsequence. Needs reflexive or separable spaces, or weak* topology (conv reg. duals)
  3. needs lower seq. semi continuity

Minima of Functionals in Banach Spaces – Regularization

Solve \(F(v) = y\) by \(\min_v \Dist(v, y^\delta)+\alpha \Reg(v)\)
  1. The Banach spaces \(U\) and \(Y\) are associated with topologies \(\tau_U\) and \(\tau_Y\) that are weaker than the norm topologies.
  2. \(\Dist\) is given by \(||\cdot||_U^p\) with \(p\geq 1\).
  3. \(||\cdot||_Y\) is sequentially lower semi-continuous with respect to \(\tau_Y\).
  4. \(\colra{\Reg}{U}{[0, \infty]}\) is convex and sequentially lower semi-continuous with respect to \(\tau_U\).
  5. \(\mathcal{D}(F)\cap\mathcal{D}(\Reg)\neq \emptyset\).
  6. For every \(\alpha> 0\), \(M>0\) the level sets \(\pazocal{M}_\alpha(M)\coloneqq\{v\in U \;\big|\, J(v)\leq M\}\) are sequentially pre-compact with respect to \(\tau_U\).
Then \(||F(v)-y^\delta||^p_V + \alpha \Reg(v)\)
  • Has a minimizer
  • Is stable (\(y^\delta\) depends continuously on \(u_\alpha^\delta\)
  • Converges (for \(\alpha\rightarrow 0\), \(y^\delta\rightarrow y\) it follows \(u_\alpha^\delta\).
  1. Strong topology, i.e. norm topology is often too restrictive. One needs to level out: weak topology has more convergent series but lsc has to be satisfied for more functions.
    strong: norm convergence
    weak: convergence of (all) duals (linear maps)
    weak': convergence of all functionals for a dual
  2. p=1 already strong limitation
  3. needed to deduce minimizer in step 3 of direct method
  4. needed to deduce minimizer in step 3 of direct method
  5. We better find an object that can be measured by both parts of regularization
  6. basically set of admissible solutions such that we find an object of interesst in there

Convergence of Discrete TV

Definition: Let \((J_k)\) be a sequence of functionals on a metric space \(U\). If there exists a functional \(J\) on \(U\) such that
  • for all sequences \((u_k)\rightarrow u\) one has \(\liminf_k J_k(u_k)\geq J(u)\),
  • for each \(u\) there exists a sequence \((u_k)\rightarrow u\) such that \(\limsup_k J_k(u_k)\leq J(u)\),
then \((J_k)\) is said to \(\Gamma\)-converge to the \(\Gamma\)-limit \(J\), denoted by \begin{equation*} J = \Gamma-\lim_k J_k. \end{equation*} Correct approximation of TV Approximate \(\ub = (u, v, w)\) by \(\ub_h = (u_h, v_h, w_h)\) via
\( \ub_h(\ux) = \sum_{i=1, j=1, k=1}^{N, M, L} \ub_{ijk} \phi_{\ub}(\ux)\),    \( TV_h(\ub) = TV_h(u) + TV_h(v) + TV_h(w) \), and    \( TV_h(u_h) = h\sum_{i,j,k} \sqrt{|u_{i+1,j,k}-u_{i,j,k}|^2+|u_{i,j+1,k}-u_{i,j,k}|^2+|u_{i,j,k+1}-u_{i,j,k}|^2} \)

Uncertainty Quantification

In DVC usually two methods of uncertainty quantification are employed
  1. bis: Two consecutive scans without any motion are performed.
  2. rbm: Two consecutive scans with rigid body motion are performed.
In 3DOF: Perform maximum resolution test. Use
  1. Use synthetical displacement and increase stepwise maximal displacement
  2. Use simulated displacement and increase stepwise maximal displacement
RSME Foam
AAE Foam
AEE Foam
Heatmap

Uncertainty Quantification – Simulated Test Data

\(w\) displacement ground truth
\(w\) displacement 3DOF
\(w\) displacement TVL1
\(w\) displacement ALDVC
RSME Foam
AAE Foam

Additional Performance Information

Calculation Time
Improvement in Residual by Gradient Term in 3DOF

The Lifting Scheme

  1. Split the signal into subbands by invertible transformation \(\Sigma\). For the sake of simplicity, we use \(2\) subbands. We have \begin{equation*} (\evn_{-1,k}, \odd_{-1, k}) = \Sigma(\lambda_{0,k}). \end{equation*}
  2. Predict the wavelet coefficient (also called detail signal) by \(\odd_{-1,k}\). We have \begin{equation*} \gamma_{-1, k} = \odd_{-1, k} - P(\evn_{-1,k}), \end{equation*} where \(P\) is an (invertible) prediction operator.
  3. Update the signal approximation \(\lambda_{-1,k}\) by the previously predicted wavelet coefficients \begin{equation*} \lambda_{-1,k} = \evn_{-1,k} + U(\gamma_{-1, k}), \end{equation*} with update operator \(U\).

Wavelet
Comparison

Morph Haar DB4 Bior2.2
1
2
3

Motion Estimation with Different Wavelets

3DOF DB4 3DMorph reduced
\( u \)
\( v \)
Residual

TV Optical Flow Solved by Discretization – Derivation

\begin{equation*} \ub^{k+1} = \min_{\ub} \int_\Omega |\nabla \ub| + \frac{1}{2\theta} ||\ub-\db^k||_2^2 \dx \end{equation*}
\begin{equation*} \min_{\ub\in U} ||\nabla \ub||_{2,1} + \frac{1}{2\theta}||\ub-\db^k||_2^2 \end{equation*}
\begin{equation*} F(\cdot) = ||\cdot||_{2,1}, \hspace{0.7cm} K=\nabla, \zpftext{and} G(\ub) = \frac{1}{2\theta}||\ub-\db^k||_2^2. \end{equation*}
$$||\pb||_{2,1} = \sum_{i,j,k} \sqrt{(p^x_{i,j,k})^2+(p^y_{i,j,k})^2+(p^z_{i,j,k})^2}$$
$$F^*(\pb) = \sup_\ub \langle \ub, \pb \rangle - F(\ub)$$
\begin{equation*} \min_\ub F(K\ub) + G(\ub) = \min_\ub\sup_\pb \langle \pb, K\ub\rangle -F^*(\pb)+G(\ub). \end{equation*}
\begin{align*} 0 &\in \partial G(\ub) + K^*\pb^*, \\ 0 &\in \partial F^*(\pb^*) - K\ub \end{align*}
\begin{align*} \pb^{k+1} &= \prox_{\sigma F^*} (\pb^k + \sigma K \bar \ub^k) \\ \ub^{k+1} &= \prox_{\tau G}(\ub^k-\tau K^*\pb^k) \\ \bar \ub^{k+1}&= \ub^{k+1}+ \theta(\ub^{k+1}-\ub^k). \end{align*}
  1. Subdifferential not bold, because componentwise result
  2. Use subgradient to deduce resolvent representation
  3. (id + tau partial F)^-1 = prox_tF(x)

Optimal Control of PDEs

Optimal Control Problem \begin{align*} \min_{y,u}\;&\, J(y, u) \\ \text{s.t.} u&\in U_{\text{ad}} \\ \text{and }Ay &= Bu \end{align*}
Consider adjoint state \(\bar p\) as solution to adjoint equation \begin{equation*} A^T \bar{p} = \nabla_y J(\bar y, \bar u), \end{equation*}
Define Lagrange function \begin{equation*} L(y, u, p) \coloneqq J(y,u) - \langle Ay-Bu, p \rangle. \end{equation*}
Solve reduced problem \begin{equation*} J(y,u) = J(A^{-1}Bu, u) \eqqcolon f(u). \end{equation*}
And have necessary conditions for a minimizer (KKT) \begin{align*} &\nabla_y L(\bar y, \bar u, \bar p, \mu_a, \mu_n) = 0 \\ &\nabla_u L(\bar y, \bar u, \bar p, \mu_a, \mu_n) = 0 \\ &\mu_a \geq 0, \hspace{0.5cm} \mu_b \geq 0 \\ &\langle u_a-\bar u, \mu_a\rangle = \langle \bar u- u_b, \mu_b\rangle = 0. \end{align*}